ESP32-C5系列技术全景:首款双频Wi-Fi 6 RISC-V芯片及其生态解析
芯片架构深度剖析:ESP32-C5 SoC
技术里程碑意义
ESP32-C5作为乐鑫科技推出的突破性产品,是全球首款在单芯片上集成2.4GHz和5GHz双频Wi-Fi 6的RISC-V物联网微控制器,重新定义了物联网设备的无线连接标准。
芯片架构总览
核心技术特性
1. 无线通信能力突破
- 双频Wi-Fi 6解决方案
- 支持802.11ax标准,相比Wi-Fi 4实现全面性能提升
- 2.4GHz频段支持20MHz带宽,5GHz频段支持20/40MHz带宽
- 理论传输速率:5GHz频段344Mbps,2.4GHz频段286Mbps
- 蓝牙5.0集成
- 完整支持蓝牙低功耗(BLE)
- 实现设备快速配网与数据传输
2. 处理性能与能效优化
- RISC-V架构处理器
- 32位单核RISC-V CPU,主频最高240MHz
- 内置400KB SRAM,支持外部Flash扩展
- Wi-Fi 6能效特性
- 目标唤醒时间(TWT)机制显著降低功耗
- 特别适合电池供电的物联网设备
3. 丰富的外设接口
提供UART、SPI、I2C、I2S、PWM、ADC、DMA等标准接口,支持各类传感器和外设连接。
4. 成熟的开发环境
基于ESP-IDF官方框架和Arduino-ESP32核心,拥有完善的工具链和活跃的开发者社区。
模组化实现:ESP32-C5-WROOM-1硬件设计指南
模组产品定位
ESP32-C5-WROOM-1是基于ESP32-C5芯片的通用无线通信模组,进一步扩展了多协议无线通信能力。
以下是它的核心信息概览:
| 类别 | 详细规格 |
| 核心处理器 | 32 位 RISC-V 单核处理器,主频高达240 MHz。 |
| 无线功能 | •双频 Wi-Fi 6:支持 2.4 GHz & 5 GHz Wi-Fi (802.11ax),并向下兼容 802.11a/b/g/n/ac。 •蓝牙 5.0:支持低功耗蓝牙 (BLE)。 •IEEE 802.15.4:支持Zigbee 3.0和Thread协议。 |
| 内存配置 | •SRAM: 384KB •ROM: 320KB •外部 Flash: 通常为 16MB •PSRAM: 提供 4MB 或 8MB 的可选版本 |
| 开发支持 | 支持ESP-IDF和Arduino等主流开发框架。 |
硬件设计参考
系统功能框图


引脚定义与布局
ESP32-C5-WROOM-1 模组共有29 个管脚,布局紧凑合理:

引脚功能说明:
| 名称 | 序号 | 类型 | 功能 |
| GND | 1 | P | 接地 |
| 3V3 | 2 | P | 供电 |
| EN | 3 | I | 高电平:芯片使能; 低电平:芯片关闭; 注意不能让EN 管脚浮空。 |
| IO2 | 4 | I/O/T | MTMS, GPIO2, LP_GPIO2, LP_UART_RTSN, LP_I2C_SDA, ADC1_CH1, FSPIQ |
| IO3 | 5 | I/O/T | MTDI, GPIO3, LP_GPIO3, LP_UART_CTSN, LP_I2C_SCL, ADC1_CH2 |
| IO0 | 6 | I/O/T | GPIO0, XTAL_32K_P, LP_GPIO0, LP_UART_DTRN |
| IO1 | 7 | I/O/T | GPIO1, XTAL_32K_N, LP_GPIO1, LP_UART_DSRN, ADC1_CH0 |
| IO6 | 8 | I/O/T | GPIO6, LP_GPIO6, ADC1_CH5, FSPICLK |
| IO7 | 9 | I/O/T | GPIO7, LP_GPIO7, FSPID, SDIO_DATA1 |
| IO8 | 10 | I/O/T | GPIO8, PAD_COMP0, SDIO_DATA0 |
| IO9 | 11 | I/O/T | GPIO9, PAD_COMP1, SDIO_CLK |
| IO10 | 12 | I/O/T | GPIO10, FSPICS0, SDIO_CMD |
| IO13 | 13 | I/O/T | GPIO13, USB_D-, SDIO_DATA3 |
| IO14 | 14 | I/O/T | GPIO14, USB_D+, SDIO_DATA2 |
| IO28 | 15 | I/O/T | GPIO28 |
| IO5 | 16 | I/O/T | MTDO, GPIO5, LP_GPIO5, LP_UART_TXD, ADC1_CH4, FSPIWP |
| IO4 | 17 | I/O/T | MTCK, GPIO4, LP_GPIO4, LP_UART_RXD, ADC1_CH3, FSPIHD |
| IO27 | 18 | I/O/T | GPIO27 |
| NC/IO15 | 19 | I/O/T | SPICS1, GPIO15 |
| NC | 20 | - | 空管脚 |
| IO23 | 21 | I/O/T | GPIO23 |
| NC | 22 | - | 空管脚 |
| IO24 | 23 | I/O/T | GPIO24 |
| RX0 | 24 | I/O/T | U0RXD, GPIO12 |
| TX0 | 25 | I/O/T | U0TXD, GPIO11 |
| IO25 | 26 | I/O/T | GPIO25 |
| IO26 | 27 | I/O/T | GPIO26 |
| GND | 28 | P | 接地 |
| EPAD | 29 | P | 接地 |
P:电源;I:输入;O:输出;T:可设置为高阻。
在集成封装内SPI PSRAM 的模组中,此管脚已用作SPI PSRAM 的SPICS1,不可再用于其他功能;
在未集成封装内SPI PSRAM 的模组中,此管脚可用作GPIO15。
电路设计参考
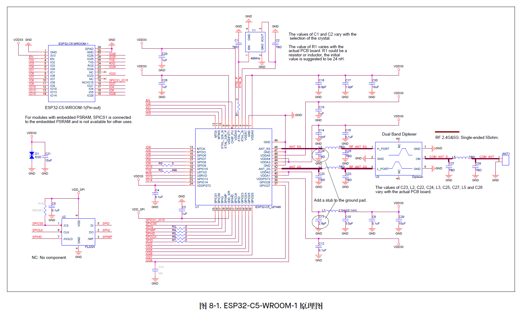
- 模组内部架构
ESP32-C5-WROOM-1模组内部元件的电路图。

- 参考应用电路
ESP32-C5-WROOM-1模组与外围器件(如电源、天线、复位按钮、JTAG 接口、UART 接口等)连接的应用电路图。


开发实战平台:FireBeetle 2 ESP32-C5开发套件
产品定位与特色
FireBeetle 2 ESP32-C5是基于ESP32-C5-WROOM-1模组的低功耗IoT开发板,专为智能家居和物联网应用场景优化设计。
产品整体外观


技术优势详解
1. 多协议无线连接
- 双频Wi-Fi 6支持
- 2.4GHz与5GHz双频段自动切换
- OFDMA技术提升网络容量
- TWT机制优化设备功耗
- 多协议融合
- 同时支持Wi-Fi、Thread、BLE、Zigbee
- 兼容Matter智能家居标准
- 可构建复杂网络拓扑
2. 电源管理创新
- 多元供电方案
- Type-C、5V DC、太阳能多种输入方式
- 专用太阳能PMIC芯片,最大化发电效率
- 支持电池电量监测与低电量预警
- 功耗优化
- Deep-sleep模式电流仅23μA
- 可编程3.3V电源输出控制
3. 开发便利性
- 板载GDI显示屏接口
- PH2.0标准电池接口
- 支持C/C++、MicroPython编程
详细技术参数
基本参数
- 电气特性
- 工作电压:3.3V
- 输入电压:5V DC(Type-C/VIN)
- 最大充电电流:0.5A
- 休眠电流:23μA
- 处理器系统
- RISC-V单核,240MHz主频
- 内存:384KB SRAM + 320KB ROM
- 存储:4MB Flash + 16KB LP SRAM
通信接口能力
- 数字接口
- 18个数字I/O引脚
- 6通道LED PWM控制器
- 3×UART(含1×LP UART)
- 专用接口
- 2×I2C(含1×LP I2C)
- 1×SPI、1×I2S
- 7通道12位SAR ADC
硬件接口规划
板载功能布局


主要功能标识:
- Type-C:USB接口
- Charge:充电指示灯
- 熄灭:未接入电源或已充满
- 常亮: 充电中
- 15/D13:板载LED引脚
- RST:复位按键
- 28/BOOT:IO28引脚/BOOT按键
- BAT:锂电池接口,支持3.7~4.2V
- lO1:电池电压检测引脚
- 3V3_C:IO0控制3.3V电源输出,默认关闭,可高电平开启。
- GDI:GDI显示屏接口
- ESP32-C5:型号为ESP32-WROOM-1-N4模组
GDI显示屏接口定义
| FPC PINS | Firebeetle 2 ESP32-C5 PINS | Description |
| VCC | 3V3 | 3V3 |
| LCD_BL | 15/D13 | 背光 |
| GND | GND | GND |
| SCLK | 23/SCLK | SPI时钟 |
| MOSI | 24/MOSI | 主机输出,从机输入 |
| MISO | 25/MISO | 主机输入,从机输出 |
| LCD_DC | 8/D2 | 数据/命令 |
| LCD_RST | 26/D3 | 复位 |
| LCD_CS | 27/D6 | TDT片选 |
| SD_CS | 3/A2 | SD卡片选 |
| FCS | NC | 字库片选 |
| TCS | 6/D12 | 触摸片选 |
| SCL | 10/SCL | I2C时钟 |
| SDA | 9/SDA | I2C数据 |
| INT | 7/D11 | INT |
| BUSY | NC | 防撕裂引脚 |
| X1 | NC | 自定义引脚1 |
| X2 | NC | 自定义引脚2 |
IO扩展底板
专用扩展板提供完整的引脚引出和功能分区,实现"到手即用"的开发体验:


引脚功能分布


引脚概述如下:
- Power: 电源引脚
- VIN: 5V DC输入或5V太阳能板
- 3.3V: 3.3V稳压电源输出
- 3V3_C:IO0可编程控制输出3/3V电源,默认关闭,高电平开启
- GND:公共地引脚
- GPIO:ESP32默认GPIO号
- Arduino:FirebBeetle 2 ESP32-C6在Arduino中的GPIO映射
- ADC:ESP32默认模数转换引脚
- I2C:I2C接口
- SDA/SCL: FirebBeetle 2 ESP32-C5在Arduino中的I2C映射
- LP_SDA/SCL: 低功耗I2C引脚
- UART:UART接口
- LP_TX/RX: 低功耗UART引脚
- SPI: FirebBeetle 2 ESP32-C5在Arduino中的SPI映射
- SDIO: ESP32默认SDIO引脚
- JTAG:调试接口
工程设计资源
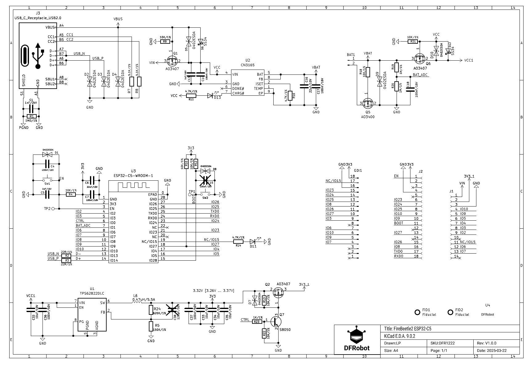
系统原理参考


版本说明
注意:当前试用版本搭载ESP32-C5 ECO1版本模组,正式量产版本将升级至乐鑫ECO2版本,确保最佳性能和稳定性。
ESP32-C5系列产品通过芯片-模组-开发板的完整生态链,为物联网开发者提供了从原型设计到量产部署的全套解决方案,是构建下一代智能设备的理想选择。

返回首页
回到顶部



评论